Philips HID-HighPower BSN 1000 L78 230/240V 50Hz HP-257
- Gratis verzending vanaf € 149 incl. BTWGratis verzending vanaf € 123 excl. BTW
- Zakelijke klant? Koop op rekening
- Gemakkelijk retourneren binnen 14 dagen
Specificaties
|
i
De aanbevolen hoeveelheid verwijst naar het aantal producten dat door de fabrikant is voorverpakt. Wanneer je deze hoeveelheid koopt, leveren wij de producten in het originele pakket van de fabrikant.
|
Aantal in omdoos | 1 |
|---|
| Artikelnummer | 180335 | |
|---|---|---|
| EAN | 8711500996640 | |
| Merk | Philips | |
| Fabrikantnaam | BSN 1000 L78-A2 230/240V 50Hz HP-257. | |
|
i
Onze All-in garantie is volledig in de productprijs inbegrepen en dekt zowel verborgen gebreken als technische gebreken van het product die zijn opgetreden vóór levering. De garantietermijn verschilt per product en loopt uiteen van 1 jaar tot maximaal 7 jaar.
|
Lampdirect All-in garantie | 1 jaar |
|
i
De techniek geeft de werkingsbasis van een lichtbron aan. Het meest bekende en energiezuinige voorbeeld hiervan is LED. Andere technieken zijn onder andere halogeen, gasontlading, TL (fluorescerend) en de gloeilamp.
|
Techniek | Accessoire |
|---|---|---|
| Geschikt voor lamptype | HPI, HPL, MH, SON | |
| VSA voor lamptype | HPI, HPL, MH, SON | |
| Maximale Wattage Lamp | 1000 | |
|
i
Wanneer je verlichting dimt, verbruikt een lamp / armatuur minder vermogen vanwege de lagere lichtsterkte. Met dimmen creëer je dus niet alleen een gezellige sfeer, maar bespaar je ook op jouw energiekosten. Het dimmen van LED kan op meerdere manieren:
Indien er sprake is van een lichtmanagementsysteem of een benodigd platform, dan vermelden wij dit altijd in de specificaties. |
Dimbaar | Niet Dimbaar |
| Aantal lichtpunten | 1 | |
|
i
Verlichting met een sensor brandt enkel wanneer deze een bepaald signaal krijgt. Dit zorgt voor minder energiekosten. De (ingebouwde) sensoren reageren op duisternis (schemerschakelaar) en/of op beweging (bewegingssensor).
|
Sensortype | Geen sensor |
| Type product | Accessoires - VSA HID Lampen |
| EOC8 | 6236900 | |
|---|---|---|
| Product Serie | BSN 100 |
Beschrijving Philips HID-HighPower BSN 1000 L78 230/240V 50Hz HP-257
De Philips HID-HighPower BSN 1000 L78 230/240V 50Hz HP-257 tegen de beste prijs bij Lampdirect! Philips 1e keus in grote hoeveelheden en tegen aanzienlijke kortingen! Aarzel niet om ons te contacteren!
Specificaties Philips HID-HighPower BSN 1000 L78 230/240V 50Hz HP-257
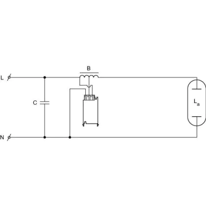
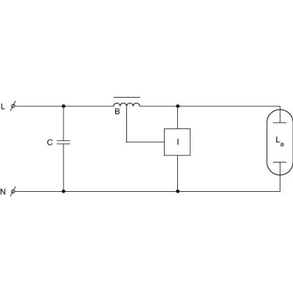
De Philips HID-HighPower MH, HPI, HPL, SON is ideaal voor mastmontage. Het is uitstekend bestand tegen chemische stoffen, vochtige omstandigheden en tegen breuk onder omgevingsdruk.
Op de Philips HID-HighPower BSN 1000 L78 230/240V 50Hz HP-257 kunt u 1 lamp installeren.